Simucube Mount
Simucube Mount¶
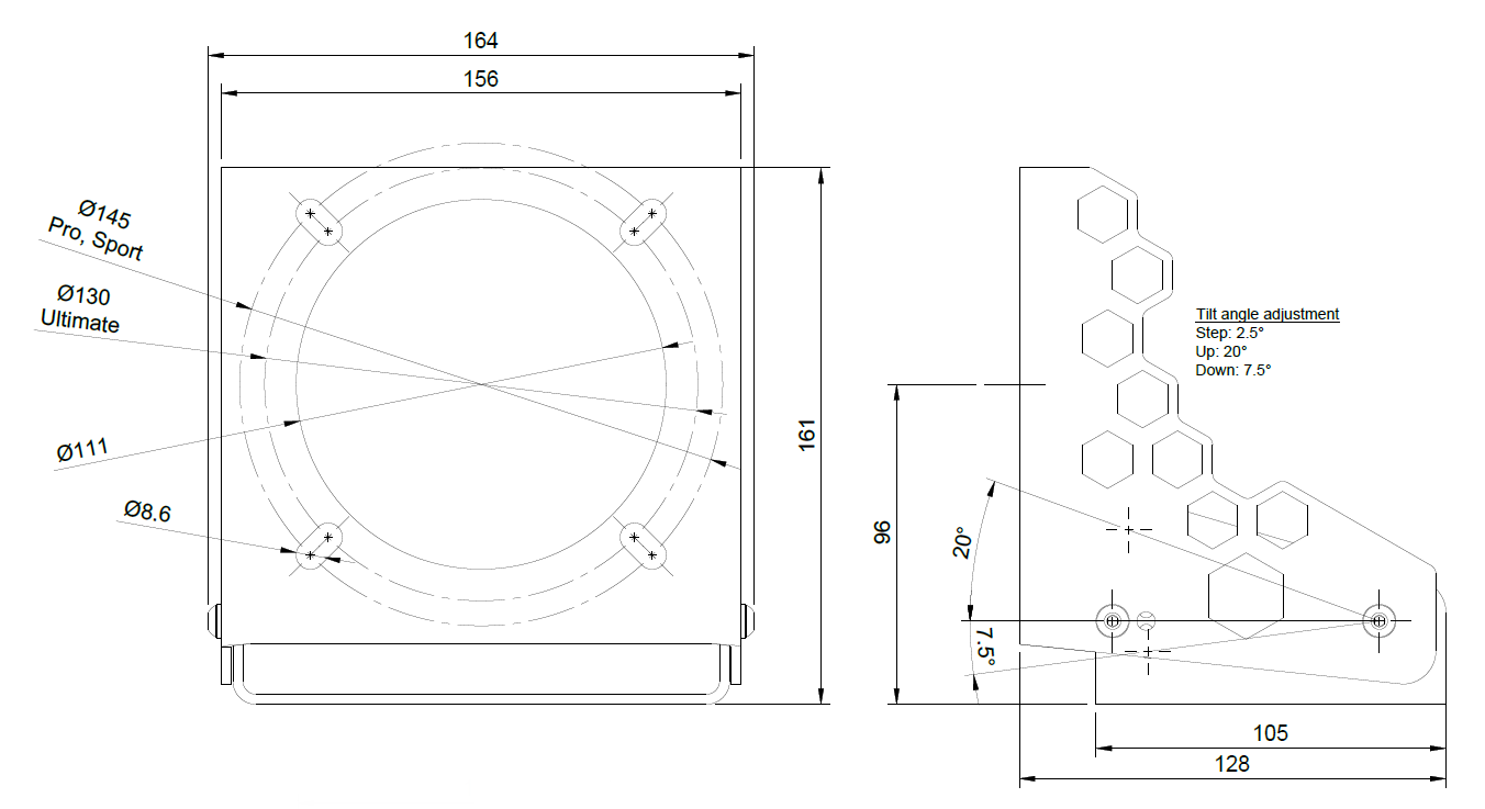
Simucube Mount is a product that enables to install the Simucube 2 wheelbase to a rig with bottom mount holes.

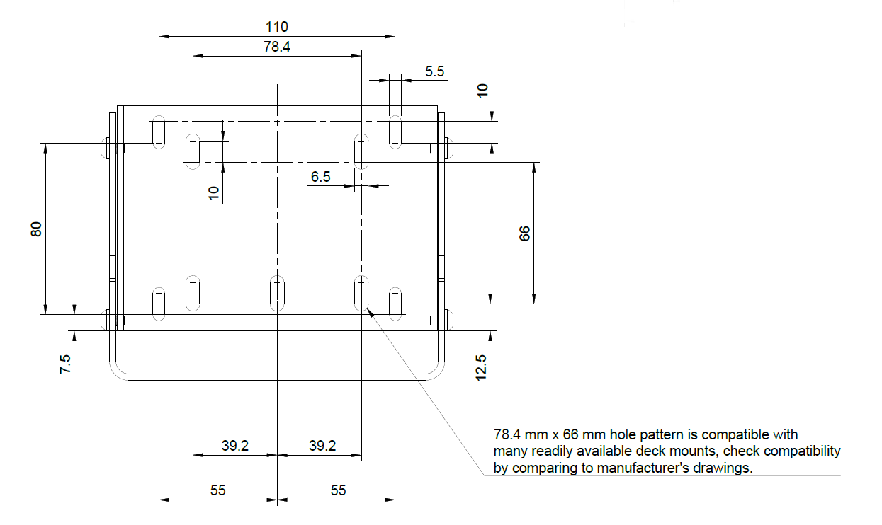
Dimensions¶
All dimensions are in mm.

Drilling pattern¶
Print this file on A4 in 1:1 scale.
Simucube Mount drilling pattern
Installation¶

See Simucube 2 Mounting page for installing the wheelbase on to the mount. Nuts are only required for Simucube 2 Ultimate.